基本参数
- 产地江苏
- 品牌
- 产品型号
- 产品操作
- 产品应用范围
- 产品材料等级
- 产品表面处理
- 品牌肯创仪表
- 型号Y-100B
- 类型压力表
- 原理弹性式压力表
- 安装方式径向,轴向,轴向带边
- 测量精确度标准压力计
- 显示方式指针
- 精度等级1.6级
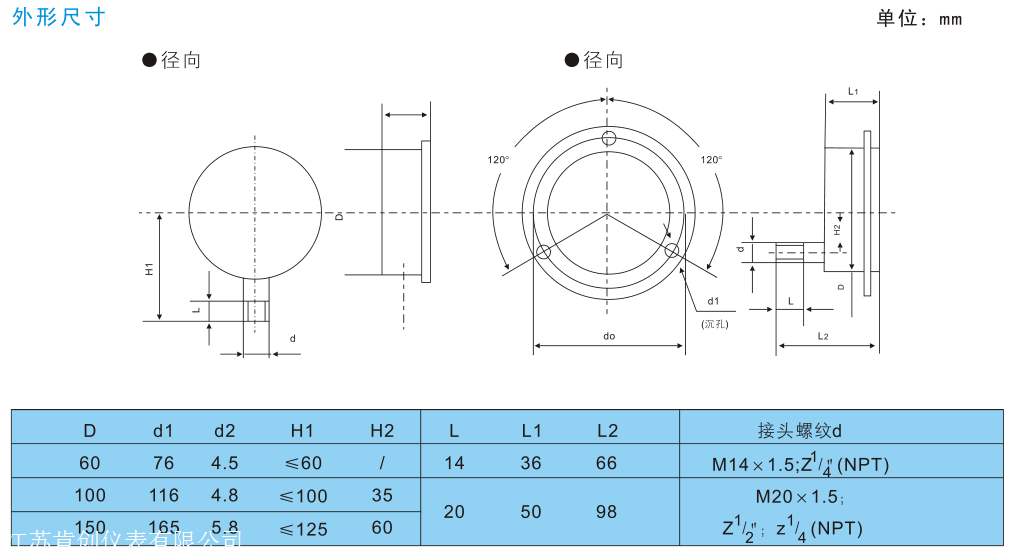
- 公称直径100mm
- 最大工作压力0-60MPa
- 联结型式螺纹式,法兰式,卡箍式
- 环境温度-40-200℃
- 用途测介质的压力
- 加工定制否
- 产地江苏
- 厂家肯创仪表
产品简介:
产品详情:1.用法解释
不锈钢压力表普遍用以原油,化学,化纤,冶炼,发电站和其他工业机构,以在需高耐腐蚀性和抗振动性的过程中测量各种流体介质的压力。
该仪器的总体构造设计合理,工艺精湛,测量精度高,采用寿命长。因此,它不仅可以提供出口,而且是国内用户从国外先进技术和装置进口同类仪器的完美配套产品。
二,构造法则
仪器由测量系统(包括关节,弹簧,限流螺钉等),齿轮传动部门,指示装置(指针和刻度盘)和外壳(包括外壳,盖子,表玻璃等)构成。外壳为密封构造,可有效性保障内部组件免于环境影响和污染侵入。对于在外壳中充满液体(一般而言为硅油或甘油)的仪器,它可以抵御工作环境的振动并下降介质压力。脉动的影响。
3.主要技术指标
名 称
模型
刻度范围
准确性水准
不锈钢压力表
Y-60B-F
0-0.16
0-0.25
0-0.4
0-0.6
0-1
0-1。6
0-2.5
0-4
0-6
0-10
0-16
0-25
0-40
0-60
-0.1〜0.15
-0.1-0.3
-0.1-0.5
-0.1-0.9
-0.1-1.5
-0.1-2.4
2.5
Y-100B-F
1.6
Y-150B-F
耐震不锈钢压力表
Y-60B-FZ
2.5
Y-100B-FZ
1.6
Y-150B-FZ
轴向不锈钢压力表,正面
Y-63B-F
2.5
Y-103B-F
1.6
Y-153B-F
轴向皮带前防震不锈钢压力表
Y-63B-FZ
2.5
Y-103B-FZ
1.6
Y-153B-FZ
